Hej!
Har ett gäng monitorer med för mej ett lite märkligt passivt filter.
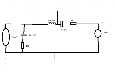
Någon som kan kolla på detta (se bilaga) och berätta vad delningsfrekvensen är?
Element som sitter i lådan är Eminence ME12-3008 och MD20018.
Passivt delningsfilter vad är delningsfrekvensen?
-
Johannes Nilsson
- PAR-20

- Inlägg: 34
- Blev medlem: tis 02 nov 2010, 18:36
- Presentation: hallå alla glada!
har ljud o ljus firma utanför kristianstad. Jobbar mest med livekonserter.
// johannes - Ort: Kristianstad / Hörby
- Niklas Elste
- PAR-64

- Inlägg: 2169
- Blev medlem: sön 13 jul 2008, 15:58
Re: Passivt delningsfilter vad är delningsfrekvensen?
gissar 700 om basen är på 8ohm
http://www.brl.se/sv/info/formelsamling.html" onclick="window.open(this.href);return false;
http://www.brl.se/sv/info/formelsamling.html" onclick="window.open(this.href);return false;
-
Johannes Nilsson
- PAR-20

- Inlägg: 34
- Blev medlem: tis 02 nov 2010, 18:36
- Presentation: hallå alla glada!
har ljud o ljus firma utanför kristianstad. Jobbar mest med livekonserter.
// johannes - Ort: Kristianstad / Hörby
Re: Passivt delningsfilter vad är delningsfrekvensen?
Känns inte som om att 700Hz är rimligt med tanke på vad det är för element. När jag räknar på det så får jag orimliga värden.
- Niklas Elste
- PAR-64

- Inlägg: 2169
- Blev medlem: sön 13 jul 2008, 15:58
Re: Passivt delningsfilter vad är delningsfrekvensen?
jag fick oxo fram 700 när jag räknade
det vill säga om jag hade rätt ohmtal (8)
det vill säga om jag hade rätt ohmtal (8)
Vilka är online
Användare som besöker denna kategori: 1 och 0 gäst

