LAB SS1300 Strömbrytare.
-
Daniel Almqvist
- Rookie

- Inlägg: 8
- Blev medlem: fre 05 apr 2024, 08:32
- Presentation: Har lite intresse i ljud.
När man var ung for man runt och körde DJ och rigga för små konserter.
LAB SS1300 Strömbrytare.
Tjena alla!
Ja har ett stycke lab ss1300 där brytaren är trasig.
Enligt ett schema så heter original brytaren Marquardt 1802.0102.
Dock finns inte denna brytare att frambringa idag. Hittar ingen data på den i huvud taget.
Enligt schema ser det ut såhär.
På själva kretskortet ser det ut såhär.
Tre kablar som kommer ut till brytaren.
Ja vet att med den gamla brytaren (som är borta nu) fick jag igång steget.
Jag är helt säker på att detta steg är ett generation 1 om man kan säga så.
Ja har ett stycke lab ss1300 där brytaren är trasig.
Enligt ett schema så heter original brytaren Marquardt 1802.0102.
Dock finns inte denna brytare att frambringa idag. Hittar ingen data på den i huvud taget.
Enligt schema ser det ut såhär.
På själva kretskortet ser det ut såhär.
Tre kablar som kommer ut till brytaren.
Ja vet att med den gamla brytaren (som är borta nu) fick jag igång steget.
Jag är helt säker på att detta steg är ett generation 1 om man kan säga så.
-
Henrik Källbäcks
- PAR-20

- Inlägg: 45
- Blev medlem: ons 11 jul 2018, 10:49
- Presentation: Driver liten firma med uthyrning och tjänster i ljudbranschen.
Re: LAB SS1300 Strömbrytare.
Schemat visar en tvåpolig brytare men den jag ser på bilden ser ut som en enpolig omkastare eller möjligen en enpolig brytare med signallampa. Vet inte riktigt vad du är ute efter. Borde det inte gå att hitta en tvåpolig brytare som passar i hålet även om original inte finns att få tag på?
- Nicke Löfgren
- PAR-64

- Inlägg: 4372
- Blev medlem: ons 09 nov 2005, 19:02
- Presentation: En glad prick som gillar att må bra och leva livet
Re: LAB SS1300 Strömbrytare.
Schema å (foto) bilden är ju inte samma steg
Du måste kolla serienr vilket år ditt steg är ifrån!
Dom hade både 2poligt å 1poligt ( bred och smal)
Du måste kolla serienr vilket år ditt steg är ifrån!
Dom hade både 2poligt å 1poligt ( bred och smal)
- Nicke Löfgren
- PAR-64

- Inlägg: 4372
- Blev medlem: ons 09 nov 2005, 19:02
- Presentation: En glad prick som gillar att må bra och leva livet
Re: LAB SS1300 Strömbrytare.
Måste hitta rätt service schema
Här hittar du dom flesta brytarna
https://www.soselectronic.com/en/rocker ... aDEALw_wcB
Här hittar du dom flesta brytarna
https://www.soselectronic.com/en/rocker ... aDEALw_wcB
-
Daniel Almqvist
- Rookie

- Inlägg: 8
- Blev medlem: fre 05 apr 2024, 08:32
- Presentation: Har lite intresse i ljud.
När man var ung for man runt och körde DJ och rigga för små konserter.
Re: LAB SS1300 Strömbrytare.
Min är en liten brytare. (Som bilden på det nedre steget.)
Joh, ja prova och montera en med lampa men det enda som händer är att lampan tänds.
Sn No: 890-912 (om det hjälper någon.)
Joh, ja prova och montera en med lampa men det enda som händer är att lampan tänds.
Sn No: 890-912 (om det hjälper någon.)
-
Henrik Källbäcks
- PAR-20

- Inlägg: 45
- Blev medlem: ons 11 jul 2018, 10:49
- Presentation: Driver liten firma med uthyrning och tjänster i ljudbranschen.
Re: LAB SS1300 Strömbrytare.
Jamen då har du väl vad du behöver. Måste bara kopplas in rätt. Av det jag ser på fotot kan jag inte hjälpa dig. Men kanske om du skickar bättre foton på kretskortets båda sidor, gärna i PM.
- Jonas Larsson
- ljudoljus.net admin

- Inlägg: 1890
- Blev medlem: tis 15 jul 2003, 01:00
- Presentation: Startade upp och driver ljudoljus.net. Kontakta gärna mig om ni har frågor och funderingar så försöker jag hjälpa till. Hoppas ni ska trivs på forumet!
- Ort: Skövde
Re: LAB SS1300 Strömbrytare.
Men hur var den gamla strömbrytaren inkopplad? Om den också var inkopplad med 3 trådar, och den nya också är inkopplad på samma sätt, med 3 trådar så borde det ju fungera?
Men var det verkligen 3 trådar till den gamla? Den har väl ingen lampa i originalutförande?
Men var det verkligen 3 trådar till den gamla? Den har väl ingen lampa i originalutförande?
//Jonas - ljudoljus.net crew
-
Daniel Almqvist
- Rookie

- Inlägg: 8
- Blev medlem: fre 05 apr 2024, 08:32
- Presentation: Har lite intresse i ljud.
När man var ung for man runt och körde DJ och rigga för små konserter.
Re: LAB SS1300 Strömbrytare.
Problemet som är att jag bytte brytare.
Testa, funkar inte. "Ja kollar på detta sen". Sen är 9månader å den gamla brytaren borta.
Men ursprungs problemet var att gamla brytaren var glapp. Där av byte.
Ja ska fixa bättre bilder på kretskortet.
Testa, funkar inte. "Ja kollar på detta sen". Sen är 9månader å den gamla brytaren borta.
Men ursprungs problemet var att gamla brytaren var glapp. Där av byte.
Ja ska fixa bättre bilder på kretskortet.
- Nicke Löfgren
- PAR-64

- Inlägg: 4372
- Blev medlem: ons 09 nov 2005, 19:02
- Presentation: En glad prick som gillar att må bra och leva livet
Re: LAB SS1300 Strömbrytare.
Nu har du ju serienr 89. Steget är från 1989
Leta rätt på rätt schema. Om jag inte missminner mig så finns det två alt i schema/ diagram på service manualen
Å som Jonas skriver. Tror inte heller att något äldre labsteg har lysdiod i knappen.
ON lyset var längst ner på ledstapeln
Leta rätt på rätt schema. Om jag inte missminner mig så finns det två alt i schema/ diagram på service manualen
Å som Jonas skriver. Tror inte heller att något äldre labsteg har lysdiod i knappen.
ON lyset var längst ner på ledstapeln
- Nicke Löfgren
- PAR-64

- Inlägg: 4372
- Blev medlem: ons 09 nov 2005, 19:02
- Presentation: En glad prick som gillar att må bra och leva livet
Re: LAB SS1300 Strömbrytare.
Kolla i min gamla bilder i inventeringslistan
Slutstegrack, steg mellan 1997-2011
Inga lysdioder i knappen
Slutstegrack, steg mellan 1997-2011
Inga lysdioder i knappen
-
Daniel Almqvist
- Rookie

- Inlägg: 8
- Blev medlem: fre 05 apr 2024, 08:32
- Presentation: Har lite intresse i ljud.
När man var ung for man runt och körde DJ och rigga för små konserter.
Re: LAB SS1300 Strömbrytare.
Ok, de schema jag har är för två olika modeller.Nicke Löfgren skrev: ↑ons 10 apr 2024, 08:28Nu har du ju serienr 89. Steget är från 1989
Leta rätt på rätt schema. Om jag inte missminner mig så finns det två alt i schema/ diagram på service manualen
Å som Jonas skriver. Tror inte heller att något äldre labsteg har lysdiod i knappen.
ON lyset var längst ner på ledstapeln
Datum på det är 880406.
Det är det enda schema jag kan hitta. (Nån kanske har i sina gömmor?)
Jag sålde ett av stegen jag laga, så får väll som sista utväg jaga rätt på den å jämföra.
- Nicke Löfgren
- PAR-64

- Inlägg: 4372
- Blev medlem: ons 09 nov 2005, 19:02
- Presentation: En glad prick som gillar att må bra och leva livet
Re: LAB SS1300 Strömbrytare.
Det är samma som du la ut i forumet
Ser ut å va den gamla modellen
Ska se om jag har något kvar
Ser ut å va den gamla modellen
Ska se om jag har något kvar
Senast redigerad av 1 Nicke Löfgren, redigerad totalt 0 gånger.
-
Henrik Källbäcks
- PAR-20

- Inlägg: 45
- Blev medlem: ons 11 jul 2018, 10:49
- Presentation: Driver liten firma med uthyrning och tjänster i ljudbranschen.
Re: LAB SS1300 Strömbrytare.
Ok, har fått några bättre bilder på PM och tolkar det hela så här:
Nätspänningen kommer in till skruvplint bredvid drosseln L1. I den nya versionen kommer den via en tvåpolig brytare men i den gamla så går det direkt från intaget. I den gamla ligger då nätspänning på div kondensatorer m m vilket man kanske kom på att inte var så bra. Start har då skett när högra änden av R1 kopplas in via en enpolig brytare. I den nya så är R1 permanent inkopplad och tillslag sker istället med den tvåpoliga brytaren på inkommande ledning.
Varför anslutningen där den röda tråden sitter finns vet jag inte. Men tycker att steget borde gå igång om punkterna där lila och svart tråd sitter kopplas samman (via brytaren). Sen skulle jag nog inte vilja ha det spänningssatt sådär utan förmodligen försökt sätta in en tvåpolig brytare, om det är möjligt, och koppla enligt schemat.
Jag har eller har haft varken steg eller annat schema än detta så ni får rätta mig om tolkningen är fel.
Nätspänningen kommer in till skruvplint bredvid drosseln L1. I den nya versionen kommer den via en tvåpolig brytare men i den gamla så går det direkt från intaget. I den gamla ligger då nätspänning på div kondensatorer m m vilket man kanske kom på att inte var så bra. Start har då skett när högra änden av R1 kopplas in via en enpolig brytare. I den nya så är R1 permanent inkopplad och tillslag sker istället med den tvåpoliga brytaren på inkommande ledning.
Varför anslutningen där den röda tråden sitter finns vet jag inte. Men tycker att steget borde gå igång om punkterna där lila och svart tråd sitter kopplas samman (via brytaren). Sen skulle jag nog inte vilja ha det spänningssatt sådär utan förmodligen försökt sätta in en tvåpolig brytare, om det är möjligt, och koppla enligt schemat.
Jag har eller har haft varken steg eller annat schema än detta så ni får rätta mig om tolkningen är fel.
- Jonas Larsson
- ljudoljus.net admin

- Inlägg: 1890
- Blev medlem: tis 15 jul 2003, 01:00
- Presentation: Startade upp och driver ljudoljus.net. Kontakta gärna mig om ni har frågor och funderingar så försöker jag hjälpa till. Hoppas ni ska trivs på forumet!
- Ort: Skövde
Re: LAB SS1300 Strömbrytare.
Men var det 3 trådar till den gamla brytaren?
Den strömbrytare som sitter på plats nu, är det med lampa eller inte? Om det är lampa i så är det fel brytare och du behöver en 1-pol växlande utan lampa i, eller 1-pol slutande räcker om det nu bara var 2 trådar till den gamla brytaren.
Är det ingen lampa i nuvarande brytare så har du växlat kablarna, jag vet inte om kretskortet är märkt med J5, J6 och J7 där kablarna är anslutna?
Den strömbrytare som sitter på plats nu, är det med lampa eller inte? Om det är lampa i så är det fel brytare och du behöver en 1-pol växlande utan lampa i, eller 1-pol slutande räcker om det nu bara var 2 trådar till den gamla brytaren.
Är det ingen lampa i nuvarande brytare så har du växlat kablarna, jag vet inte om kretskortet är märkt med J5, J6 och J7 där kablarna är anslutna?
//Jonas - ljudoljus.net crew
- Nicke Löfgren
- PAR-64

- Inlägg: 4372
- Blev medlem: ons 09 nov 2005, 19:02
- Presentation: En glad prick som gillar att må bra och leva livet
Re: LAB SS1300 Strömbrytare.
Finns som sagt lite olika modeller
SS1300
1300
1300C
En serie hade en större brytare
Men jag tror det är detta du söker. Du kollar på fel schema oxo, PSA
Kolla lödpunkter J1- J4 Den brytare du ska ha
Jag har bara kollat i lite gamla papper. För att va säker på detta måste man ju slutsteget framför sig
SS1300
1300
1300C
En serie hade en större brytare
Men jag tror det är detta du söker. Du kollar på fel schema oxo, PSA
Kolla lödpunkter J1- J4 Den brytare du ska ha
Jag har bara kollat i lite gamla papper. För att va säker på detta måste man ju slutsteget framför sig
Senast redigerad av 1 Nicke Löfgren, redigerad totalt 0 gånger.
- Nicke Löfgren
- PAR-64

- Inlägg: 4372
- Blev medlem: ons 09 nov 2005, 19:02
- Presentation: En glad prick som gillar att må bra och leva livet
Re: LAB SS1300 Strömbrytare.
Som Jonas skriver är detta
Du måste kolla på kortet
Är du på rätta stället å löder??
Är du på rätta stället å löder??
-
Henrik Källbäcks
- PAR-20

- Inlägg: 45
- Blev medlem: ons 11 jul 2018, 10:49
- Presentation: Driver liten firma med uthyrning och tjänster i ljudbranschen.
Re: LAB SS1300 Strömbrytare.
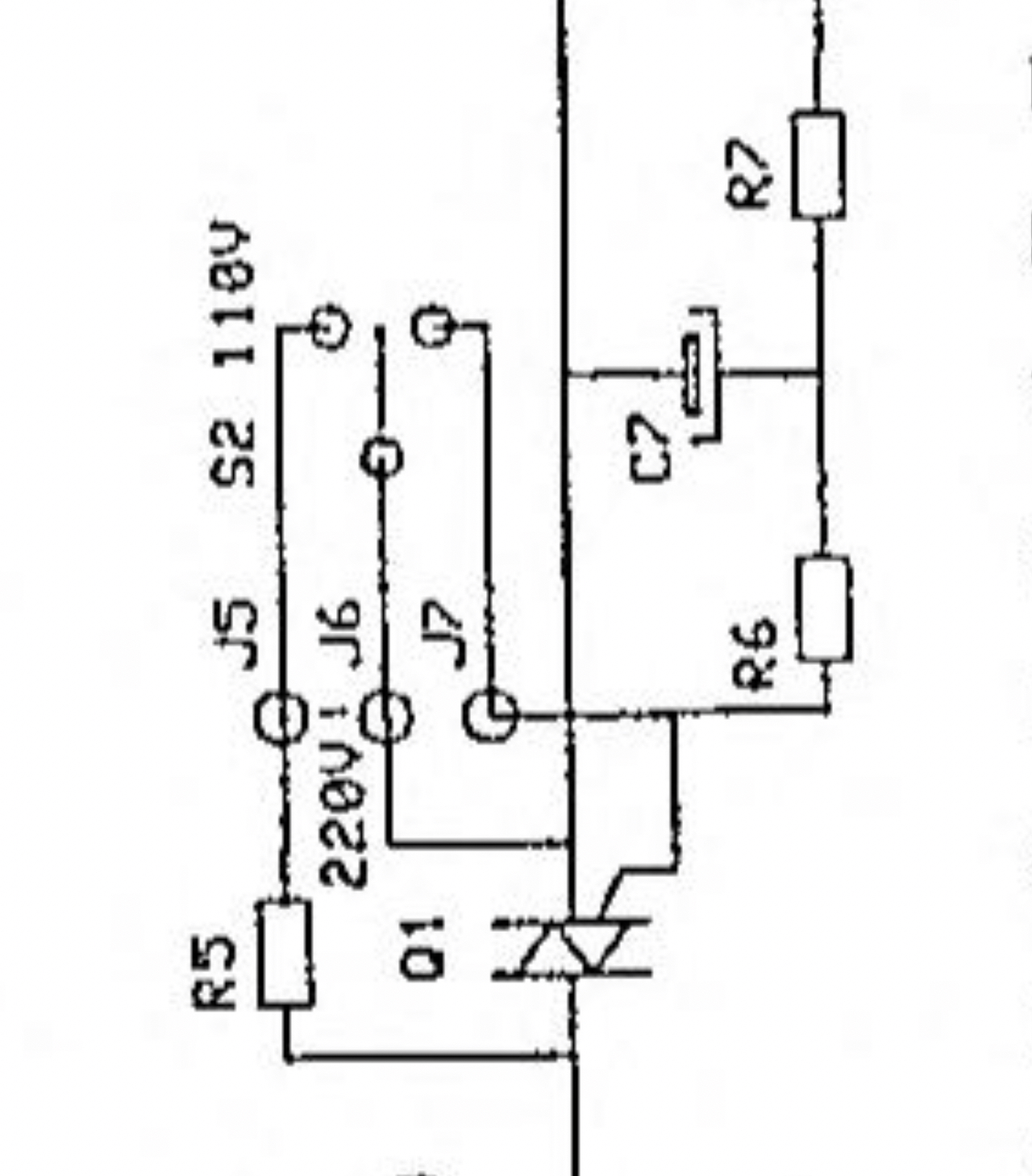
Aha, det sista schemat förklarar den röda tråden också. Du ska alltså ha en växlande omkopplare där den svarta tråden går till mittutaget som är J6. Sedan ska den lila tråden J5 ha kontakt när steget är på. Och till sist ska den röda J7 ha kontakt vid avstängt för att strypa TRIACen ordentligt.
-
Daniel Almqvist
- Rookie

- Inlägg: 8
- Blev medlem: fre 05 apr 2024, 08:32
- Presentation: Har lite intresse i ljud.
När man var ung for man runt och körde DJ och rigga för små konserter.
Re: LAB SS1300 Strömbrytare.
Men tack!
Ska bara hitta en brytare då och prova.
En... On/On ?!
Ja har kollat på de schemat men det stämde inte med PSA-B, plus att ja blev fundersam eftersom det stod 100v där oxå.
Ja återkommer när ja har provat.
Ska bara hitta en brytare då och prova.
En... On/On ?!
Ja har kollat på de schemat men det stämde inte med PSA-B, plus att ja blev fundersam eftersom det stod 100v där oxå.
Ja återkommer när ja har provat.
- Jonas Larsson
- ljudoljus.net admin

- Inlägg: 1890
- Blev medlem: tis 15 jul 2003, 01:00
- Presentation: Startade upp och driver ljudoljus.net. Kontakta gärna mig om ni har frågor och funderingar så försöker jag hjälpa till. Hoppas ni ska trivs på forumet!
- Ort: Skövde
Re: LAB SS1300 Strömbrytare.
Det är lite rörigt och känns inte riktigt som du svarar på frågorna Daniel, och då blir det lite svårt att hjälpa till.
1. Var det 3 kablar till den gamla brytaren? Satt de på samma ställe eller har du hittat nya lödpunkter på eget initiativ?
2. Vad är det för brytare som du satt dit nu, är det en med lampa eller inte? Närbild på brytaren? Du skriver "ja prova och montera en med lampa men det enda som händer är att lampan tänds."
Jag kanske tänkte fel med j5-j6, för kollar man i schemat står det att S2 är en temp switch som öppnar vid 80grader och i så fall är det ju som Nicke skriver S1 som är powerswitchen, men den har ju inte 3 kablar, så då är det ju fortfarande fel schema? Och det Henrik förklarar så bra är i så fall övertempskyddets funktion.
Ja, lite oklart varför det står 110/220v vid S2, och även vid S1 som Nicke visar.
Bara så vi inte lurar dig att koppla steget för 110v och du kör sönder det.
1. Var det 3 kablar till den gamla brytaren? Satt de på samma ställe eller har du hittat nya lödpunkter på eget initiativ?
2. Vad är det för brytare som du satt dit nu, är det en med lampa eller inte? Närbild på brytaren? Du skriver "ja prova och montera en med lampa men det enda som händer är att lampan tänds."
Jag kanske tänkte fel med j5-j6, för kollar man i schemat står det att S2 är en temp switch som öppnar vid 80grader och i så fall är det ju som Nicke skriver S1 som är powerswitchen, men den har ju inte 3 kablar, så då är det ju fortfarande fel schema? Och det Henrik förklarar så bra är i så fall övertempskyddets funktion.
Ja, lite oklart varför det står 110/220v vid S2, och även vid S1 som Nicke visar.
Bara så vi inte lurar dig att koppla steget för 110v och du kör sönder det.
//Jonas - ljudoljus.net crew
- Nicke Löfgren
- PAR-64

- Inlägg: 4372
- Blev medlem: ons 09 nov 2005, 19:02
- Presentation: En glad prick som gillar att må bra och leva livet
Re: LAB SS1300 Strömbrytare.
INGEN LAMPA i brytaren
Kan du delgen lite fler bilder?
Å kolla på kretskortet vad det står! Jämför kortet å schema
Är du på rätt ställe å löder?
Kan du delgen lite fler bilder?
Å kolla på kretskortet vad det står! Jämför kortet å schema
Är du på rätt ställe å löder?
Vilka är online
Användare som besöker denna kategori: 1 och 0 gäst

